Sign in Now CLOSE
Not a member? ... it takes 10 sec.
we promise not to spam you
Sign up Now CLOSE
Already a member? .
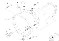
OB E53 X5 4.6is M62 SAV / Automatic Transmission
Click on any disabled (gray) menu to maximize it.
0 items in your Cart.
JOIN THE GREATEST COMMUNITY EVER! 5759 Members already! JOIN US NOW Get featured in the most esclusive showcase of the most coolest BMW and Mini’s out there. Share and get insider information about auto shops, restaurants, best roads and what every you like. Read More!
Care & Share.
Secure Payment.
Paypal is known, recognised, used by millions of people and it’s totaly secure. PayU is a secure alternative to PayPal which supports Wire Transfers allong with all major credit cards. We don’t ask for your credit card info, we leave that to the Pros.
World wide delivery.
We use DHL - German Post to deliver most of your orders world wide. Delivery fees start from 4.6 EUR. If you can’t find your country in our list, contact us and we will update our list.

Delivery usually takes between 5-7 days for Europe (Cyprus in not considered Europe), 7 days for Romania, 15+ days for the rest of the world.

If you need faster shipping (express TNT) please e-mail us so we can give you a price for that service.