Sign in Now CLOSE
Not a member? ... it takes 10 sec.
we promise not to spam you
Sign up Now CLOSE
Already a member? .
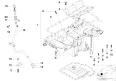
OB E53 X5 4.6is M62 SAV / Engine/ Cooling System Pipe
  • Parts are 100% original parts
  • Parts have full factory and store Warranty
  • Full refund policy
  • Same day order processing
  • World wide delivery with DHL
Click on the diagram to maximize or minimize the image
https://www.estore-central.com/_diagrame_thumbs/oty1x3q=.jpg
IdPart NumberNameDescriptionDateWeightPriceQuantity 
111531437493COOLING SYSTEM ACCUMULATOR0.817 kg 306.06 €306.06 $ Add to Cart
211531731833Gasket Asbestos Free0.004 kg 10.68 €10.68 $ Add to Cart
307119901943Hex Bolt with washerM6X30-Z1-ZNS0.009 kg 0.29 €0.29 $ Add to Cart
411531741202Pipe0.250 kg 85.41 €85.41 $ Add to Cart
511531710048O-ring34,2X4,0MM0.002 kg 2.14 €2.14 $ Add to Cart
611531736831Pipe0.090 kg 65.08 €65.08 $ Add to Cart
711531710055O-ring19,5X3,0MM0.001 kg 1.65 €1.65 $ Add to Cart
807119904539Screw plugM14X1,5-ZNNIV0.026 kg 1.56 €1.56 $ Add to Cart
907119963200Gasket ringA14X18-AL0.000 kg 0.29 €0.29 $ Add to Cart
Click on any disabled (gray) menu to maximize it.
0 items in your Cart.
JOIN THE GREATEST COMMUNITY EVER! 5754 Members already! JOIN US NOW Get featured in the most esclusive showcase of the most coolest BMW and Mini’s out there. Share and get insider information about auto shops, restaurants, best roads and what every you like. Read More!
Care & Share.
Secure Payment.
Paypal is known, recognised, used by millions of people and it’s totaly secure. PayU is a secure alternative to PayPal which supports Wire Transfers allong with all major credit cards. We don’t ask for your credit card info, we leave that to the Pros.
World wide delivery.
We use DHL - German Post to deliver most of your orders world wide. Delivery fees start from 4.6 EUR. If you can’t find your country in our list, contact us and we will update our list.

Delivery usually takes between 5-7 days for Europe (Cyprus in not considered Europe), 7 days for Romania, 15+ days for the rest of the world.

If you need faster shipping (express TNT) please e-mail us so we can give you a price for that service.